कैम इंडेक्सर्स, खोखले रोटरी टेबल, हार्मोनिक ड्राइव और ग्रहीय गियरबॉक्स की हमारी श्रृंखला के साथ, हैनशेंग ऑटोमेशन अत्यधिक सटीक गति नियंत्रण समाधान प्रदान करने में माहिर है। यह सुनिश्चित करने के लिए कि हमारे ग्राहकों को उनकी विशेष मांग के लिए अनुकूलित, प्रीमियम आइटम मिलें, हम सीएनसी मशीनिंग सेवाएं और कुशल गियर निर्माण भी प्रदान करते हैं।
उत्पाद परिचय
हार्मोनिक ड्राइव प्रिसिजन गियर रिड्यूसर क्या है?
हार्मोनिक ड्राइव सटीक गियर रिड्यूसर एक प्रकार का अत्यधिक सटीक और कॉम्पैक्ट गियर तंत्र है जिसका व्यापक रूप से रोबोटिक्स, एयरोस्पेस और ऑटोमेशन जैसे सटीक गति नियंत्रण की आवश्यकता वाले अनुप्रयोगों में उपयोग किया जाता है। वे अपने अनूठे डिज़ाइन के लिए जाने जाते हैं, जिसमें तीन प्रमुख घटक होते हैं: तरंग जनरेटर, फ्लेक्स स्पलाइन और गोलाकार स्पलाइन।
तरंग जेनरेटर: तरंग जनरेटरों में उपयोग की जाने वाली पतली गेंद {{0}बेयरिंग {{1}समर्थित डिस्क का आकार अण्डाकार होता है। यह विशेष रूप से निर्दिष्ट स्थानों में गोलाकार स्पलाइन के साथ बातचीत करने के लिए फ्लेक्स स्पलाइन को विकृत करता है।
फ्लेक्स स्प्लाइन: वृत्ताकार तख़्ता की तुलना में कम दांत, यह लचीला, पतला {{0}दीवार वाला बेलनाकार गियर गोलाकार तख़्ता के अंदर फिट बैठता है। फ्लेक्स स्पलाइन स्वयं को तरंग जनरेटर के रूप के अनुरूप आकार देती है।
गोलाकार तख़्ता: वृत्ताकार तख़्ता आंतरिक दांतों वाले कठोर गियर की तरह फ्लेक्स तख़्ता के साथ परस्पर क्रिया करता है। फ्लेक्स और सर्कुलर स्पलाइन के बीच दांतों की गिनती में मामूली बदलाव से बड़ी कमी का अनुपात संभव हो जाता है।

इस उत्पाद की विशेषताएं क्या हैं?
उच्च कमी अनुपात: हार्मोनिक ड्राइव विशेष लचीली गियर संरचना के माध्यम से बहुत उच्च कमी अनुपात प्राप्त कर सकता है, आमतौर पर 50:1 से 300:1, या इससे भी अधिक।
उच्चा परिशुद्धि: इसकी विशेष कार्यशील अवधारणा प्रतिक्रिया को कम कर सकती है और उच्च स्थिति सटीकता प्रदान कर सकती है, जो सटीक नियंत्रण और स्वचालन उपकरण के लिए उपयुक्त है।
छोटा आकार और हल्का वजन: पारंपरिक गियर ट्रांसमिशन की तुलना में हार्मोनिक ड्राइव का आयाम छोटा और वजन हल्का होता है, जो वॉल्यूम और वजन प्रतिबंध वाली घटनाओं के लिए उपयुक्त है।
उच्च टोक़ संचरण क्षमता: मजबूत भार क्षमता और हार्मोनिक ड्राइव छोटे आकार में भी शानदार टॉर्क पहुंचा सकता है।
उच्च कठोरता: हार्मोनिक ड्राइव अत्यधिक कठोरता और भार क्षमता प्रदान कर सकता है क्योंकि ट्रांसमिशन के दौरान इसका संपर्क क्षेत्र कुछ बड़ा होता है।
सुचारू संचालन: कम शोर, शांत संचालन की आवश्यकता वाले क्षेत्रों के लिए उपयुक्त, और लचीला विरूपण सिद्धांत सुचारू संचालन को सक्षम बनाता है {{0}अर्थात् प्रभाव मुक्त गति।
चयन का मामला
निम्नलिखित एक चयन मामला साझा किया गया है। हम ऐसे समाधानों को अनुकूलित करने में विशेषज्ञ हैं जो हमारे ग्राहकों की आवश्यकताओं को पूरी तरह से पूरा करते हैं। हम चयन प्रक्रिया के दौरान ग्राहकों के साथ उनकी आवेदन आवश्यकताओं और कामकाजी परिस्थितियों को समझने के लिए बारीकी से संवाद करते हैं। ग्राहक द्वारा प्रदान की गई जानकारी के आधार पर, इंजीनियरिंग टीम गणना और सत्यापन करेगी, उपयुक्त मॉडल और संपूर्ण समाधान सुझाएगी।
काम की परिस्थिति
1. गति क्या है: इनपुट गति +-3500 आरपीएम
2. लोड वजन: इस रेड्यूसर का उपयोग 0 º से 90 º तक घूमने वाले शाफ्ट के लिए किया जाता है, जो एक आरा ब्लेड के साथ एक स्पिंडल का समर्थन करता है। आरा ब्लेड का वजन +-200किलोग्राम है
3. कहां उपयोग करें: ब्रशलेस इनपुट मोटर EM3A-10ALA का उपयोग करें, 3.18 Nm का रेटेड टॉर्क
मॉडल की अनुशंसा करें
CSF40-I, कस्टम फ़्लैंज और गैसकेट के साथ। (हम आम तौर पर ग्राहकों द्वारा प्रदान की गई मोटर ड्राइंग के आधार पर ग्राहकों के लिए फ्लैंज या कनेक्टिंग प्लेट को अनुकूलित करते हैं)




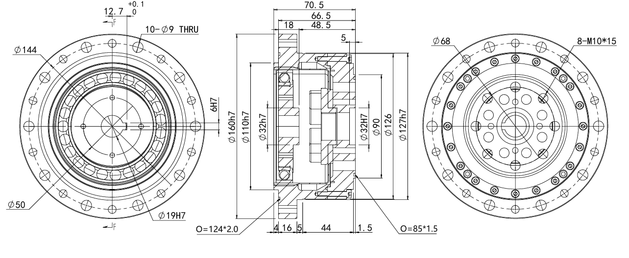
चित्रकला

तकनीकी मापदण्ड

का अनुप्रयोगहार्मोनिक ड्राइव सटीक गियर रिड्यूसर
औद्योगिक रोबोट, एयरोस्पेस, सेमीकंडक्टर उपकरण, चिकित्सा उपकरण, मापने और ऑप्टिकल उपकरण, हार्मोनिक ड्राइव सटीक गियर रिड्यूसर आमतौर पर स्वचालित विनिर्माण लाइनों में पाए जाते हैं।
औद्योगिक रोबोट: उनकी उच्च परिशुद्धता और उच्च कठोरता के कारण, औद्योगिक रोबोट के जोड़ों में हार्मोनिक रिड्यूसर का व्यापक रूप से उपयोग किया जाता है।
एयरोस्पेस: एयरोस्पेस वाहनों की नियंत्रण प्रणालियों में, हार्मोनिक रिड्यूसर का उपयोग सटीक स्थिति नियंत्रण के लिए महत्वपूर्ण घटकों के रूप में किया जाता है।
सेमीकंडक्टर उपकरण: सेमीकंडक्टर विनिर्माण उपकरण के लिए उच्च परिशुद्धता और उच्च विश्वसनीयता की आवश्यकता होती है, और हार्मोनिक रिड्यूसर इन आवश्यकताओं को पूरा कर सकते हैं।
चिकित्सा उपकरण: उदाहरण के लिए, सर्जिकल रोबोट, डायग्नोस्टिक उपकरण इत्यादि को सटीक नियंत्रण और शांत संचालन की आवश्यकता होती है, और हार्मोनिक रिड्यूसर आदर्श विकल्प हैं।
मापने और ऑप्टिकल उपकरण: हार्मोनिक रिड्यूसर का उपयोग उच्च परिशुद्धता मापने वाले उपकरणों, ऑप्टिकल उपकरण और सटीक मशीनरी में भी व्यापक रूप से किया जाता है।
स्वचालित उत्पादन लाइनें: स्वचालित उपकरण और उच्च परिशुद्धता उत्पादन असेंबली लाइनों में, सटीक गति नियंत्रण करने के लिए हार्मोनिक रिड्यूसर का उपयोग किया जाता है।
अक्सर पूछे जाने वाले प्रश्न (अक्सर पूछे जाने वाले प्रश्न)
प्रश्न: हार्मोनिक रिड्यूसर इतने सटीक क्यों होते हैं?
प्रश्न: हार्मोनिक रिड्यूसर का सेवा जीवन क्या है?
प्रश्न: हार्मोनिक रिड्यूसर किस कार्य वातावरण के लिए उपयुक्त हैं?
प्रश्न: हार्मोनिक रिड्यूसर के लिए रखरखाव आवश्यकताएँ क्या हैं?
प्रश्न: हार्मोनिक रिड्यूसर का चयन कैसे करें?
प्रश्न: अन्य प्रकार के रिड्यूसर की तुलना में हार्मोनिक रिड्यूसर के क्या फायदे हैं?
लोकप्रिय टैग: हार्मोनिक ड्राइव प्रिसिजन गियर रिड्यूसर, चीन हार्मोनिक ड्राइव प्रिसिजन गियर रिड्यूसर निर्माता, लो बैकलैश हार्मोनिक ड्राइव रिड्यूसर, रोबोटिक जोड़ों के लिए हार्मोनिक ड्राइव रिड्यूसर, कस्टम हार्मोनिक ड्राइव आपूर्तिकर्ता, स्टॉक हार्मोनिक गियर रिड्यूसर फैक्ट्री में


